Messschrauben zurück vor Diese Seite ausdrucken

Tabelle nach ZEISS Normaldrahtreihe
Messdraht - Ø
dD mm
Metr. ISO Gewinde
Steigung in mm
Whitworth-Rohrgewinde
Gangzahl pro Inch
Unified Inch-Gewinde UN,UNC, UNF..
Gangzahl pro Inch
0,17 0,25 und 0,3 - -
0,22 0,35 - 72
0,25 0,4 60 64
0,29 0,45 und 0,5 - 56
0,335 0,6 48 und 40 48 und 44
0,455 0,7 bis 0,8 - 32
0,53 0,9 32 und 28 28
0,62 1,0 26 und 24 24
0,725 1,25 22 bis 19 20
0,895 1,5 18 und 16 18 und 16
1,10 1,75 14 14 und 13
1,35 2,0 12 und 11 12 und 11
1,65 2,5 10 und 9 10 und 9
2,05 3,0 und 3,5 8 und 7 8 und 7
2,55 4,0 und 4,5 6 6
3,20 5,0 und 5,5 5 und 4,5 5 und 4,5
Artikel-Nr Messdraht-Ø
mm
Preis in €/
netto
Artikel-Nr Messdraht-Ø
mm
Preis in €/
netto
Artikel-Nr Messdraht-Ø
mm
Preis in €/
netto
2277001 0,17 2277007 0,53 2277013 1,65
2277002 0,22 2277008 0,62 2277014 2,05
2277003 0,25 2277009 0,725 2277015 2,55
2277004 0,29 2277010 0,895 2277016 3,20
2277005 0,335 2277011 1,10
2277006 0,455 2277012 1,35
 
zurück vor

20-31 günter ballbach messzeuge GmbH & Co. KG 07453 / 9475-0 07453 / 9475-99 2021
2277 Drahtschuhe-Paare
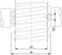
Anwendung:
Für Gewindemessungen nach der Dreidrahtmethode.
Über das ermittelte Istprüfmaß M lässt sich rechnerisch oder mit Hilfe entsprechender
Tabellen der Istflankendurchmesser d2
bestimmen. Geeignet für alle
Bügelmessschrauben mit Spindel-Ø 6,5 mm.
Ausführung:
• Drahtschuhe-Paar mit 3 Messdrähten
• Herstellungstoleranz: ± 0,001 mm
• Länge der Messdrähte: 24 mm