Höhenmessgeräte, Sonderzubehör zurück vor Diese Seite ausdrucken

Kalibrierung
siehe 900000
Rechtwinkligkeitsabweichung
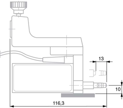
Messtaster IG 13 mit Aufnahme
Artikel-Nr Ausführung Preis in €/
netto
5052000 Messeinsatzträger zur Verwendung mit einem Fühlhebelmessgerät 320,00
5050950 Set Messtaster IG 13 mit Aufnahme 1865,00
5050955 Verbindungskabel 1 m zu Messtaster IG 13 und "Power Panel- plus M" 101,00
5022260 Adapter für IG 13 zu MH 3 - 9 (+M) 83,00
Artikel-Nr Ausführung Preis in €/
netto
5053900 Messeinsatz-Satz für T-H, T-H plus D, M-H sowie M-H plus M 1052,00
5053901 Messeinsatz-Satz für TESA-µ HITE 1100,00
Lieferung in Kunststoffetui und bestehend aus:
5053001 1 Messeinsatzhalter Schaft Ø 6 mm 355,00
5053002 1 Messeinsatzhalter Schaft Ø 8 mm 647,00
5053003 1 Taststab für Eindrehungen, Zentriersätze, Grundloch-
bohrungen usw., 8° angewinkelt, Stahl, gehärtet
239,00
5053004 1 Taststab für Tiefenmessungen, zylindrisch abgesetzt,
Stahl, gehärtet
66,00
5053005 Messeinsätze mit Stahlkugel, gehärtet
1 Stück, Ø 0,9 mm
70,00
5053006 1 Stück, Ø 1,9 mm 74,00
5053007 1 Stück, Ø 2,9 mm 74,00
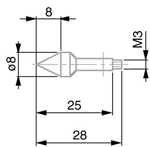
5053008 1 Messeinsatz mit kegelförmiger Messfläche, Ø 8 mm, Stahl,
gehärtet Verlängerungen, 20 mm
74,00
5053009 Verlängerungen, 20 mm
1 Stück, Gewinde M3 zu M3
74,00
5053010 1 Stück, Gewinde M3 zu M2,5 74,00
Nr. 5053001
 
Nr. 5053003
Nr. 5053004
Nr. 5053006
Nr. 5053007
Nr. 5053005
zurück vor
Nr. 5053008
 

50-10 günter ballbach messzeuge GmbH & Co. KG 07453 / 9475-0 07453 / 9475-99 2025/26
5052 Sonderzubehör für TESA MICRO-HITE und TESAHITE
5053 Set Sondermesseinsätze für TESA MICRO-HITE, TESAHITE und TESA µ HITE
Nr. 5052000 - Messeinsatzträger
Zubehör für das Messen von Rechtwinkligkeitsabweichungen
mit Hilfe eines Fühlhebelmessgerätes (zu verwenden mit
TESA MICRO-HITE, TESA MICRO-HITE plus M, TESA-HITE )
Nr. 5050950 - Messtaster IG 13
Zubehör für das Messen von Rechtwinkligkeitsabweichungen(zu verwenden mit TESA MICRO-HITE, TESA MICRO-HITE plus M
in Verbindung mit Bedienpult Power Panel und
Power Panel plus M)